Ответвительный зажим (PI 153+BI)

Ответвительный зажим (PI 153+BI)

  • Описание
  • Характеристики
  • Оплата и доставка
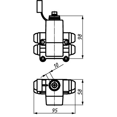
Применяются для обеспечения надежного электрического контакта методом прокалывания изоляции жил на магистральной линии и зачистки на ответвлении. Зажимы PI 153+BI® применяются не только для ответвления магистральных проводов СИП;но и для соединения СИП с кабелем.

Характеристика

  • Контактные части зажима выполнены из алюминиевого сплава.
  • Контроль над усилием затяжки при прокалывании изоляции магистрального провода осуществляется болтом с шестигранной срывной головкой 10 мм.
  • Контактные части зажима смазаны тугоплавкой консистентной смазкой.
  • Зажимы поставляются в комплекте с защитным чехлом.
  • Колпачок защитного чехла может быть поставлен на место только после срыва головки; что обеспечивает возможность визуального контроля правильности монтажа.

Преимущества применения

  • Зажимы с раздельной затяжкой болтов позволяют многократно присоединять и отсоединять абонентскиепровода; не снимая зажим с магистрального провода.
  • Минимальное снижение механической прочности проводников.
  • Уменьшение контактного сопротивления.
  • Конструкция зажима; выполненного из алюминиевого сплава; обеспечивает надежность электрического контакта в течение всего срока эксплуатации (не менее 40 лет).
  • Зажимы рассчитаны на монтаж при низких температурах от -20° С и эксплуатацию от -60° С.

Оплата

Оплата товара осуществляется по наличному или безналичному расчету.

  • Оплата наличными. Оплатить можно в офисе компании (есть терминал для пластиковых карт VISA и MasterCard)
  • Безналичный расчет доставка будет произведена в течение 3 дней после поступления денежных средств на наш расчетный счет.

Доставка

Наша компания располагает собственным автопарком. Доставка осуществляется в рабочие дни с 9-00 до 20-00. Оформляется доставка одновременно с заказом.

Если вы забираете ваши товары самостоятельно, то вам необходимо будет связаться с нашими менеджерами, чтобы согласовать время отгрузки.

При заказе на сумму более 50 000 руб. доставка по Санкт-Петербургу и Ленинградской области (30 км от КАД) осуществляется бесплатно!

Популярные товары

Менеджер
Сафронова Екатерина
Ведущий специалист
Консультация специалиста
Мы свяжемся с вами в течение 5 минут
Менеджер
Сафронова Екатерина
Ведущий специалист
Оставить заявку
Мы свяжемся с вами в течение 5 минут
Менеджер
Сафронова Екатерина
Ведущий специалист
Заказать расчет
Мы свяжемся с вами в течение 5 минут
hacklink panel |
deneme bonusu veren siteler |
casino siteleri |
şans casino |
vidobet |
vidobet |
vidobet güncel giriş |
vidobet giriş |
casinolevant |
casinolevant |
casinolevant |
şans casino |
şans casino |
casinolevant giriş |
casino şans |
şans casino giriş |
casino levant |
casino şans |
casino şans |
levant casino |
bahislion |
casinolevant |
gamdom |
gamdom giriş |
gamdom |
boostaro |
bahislion |
boostaro |
gamdom |
casinolevant |
casinolevant |
casinolevant |
casinolevant giriş |
casinolevant |
casinolevant |
casino siteleri |
casinolevant |
casinolevant |
gamdom |
gamdom |
lidyabet |
lidyabet |
şanscasino |
zayıflama |
gamdom |
gamdom giriş |
gamdom |
haber kaldırma |
lidyabet |
sosyobase |
veli ağbaba |
gamdom giriş |
gamdom |
lidyabet |
lidyabet |
lidyabet giriş |
lidyabet |
lidyabet |
lidyabet |
lidyabet

Jaxx Wallet Download

Jaxx Liberty Wallet

Atomic Wallet

Atomic Wallet Download

gem visa login

gem visa australia